02.04.2026, 14:17
(Dieser Beitrag wurde zuletzt bearbeitet: 02.04.2026, 14:20 von SamWhiskey.)
Schnell noch eins nachgeschoben. 
Ein original Atari Tetris mit Grafikproblemen:
[Bild: https://forum.pflaugis-arcade.de/galerie...etris1.jpg]
Die Grafikprobleme verändern sich, je nachdem, wo man auf die Platine drückt. Und nein, es ist kein Kontaktproblem.
Nach einigem "Rumgefinger" konnte ich das Problem auf die Ecke mit den 5 74LS374 eingrenzen.
Pin 2 von IC 20A ist äußerst berührungsempfindlich. Da kommt auch nichts raus, es geht aber was auf Pin 3 rein.
[Bild: https://forum.pflaugis-arcade.de/galerie...etris2.jpg]
(Die roten Kringel sind im Schaltbild und haben mit dem Fehler nix zu tun.
)
Verdächtig, verdächtig, Mr. Holmes.
Also Chip raus, und:
[Bild: https://forum.pflaugis-arcade.de/galerie...etris3.jpg]
Das ist dann wohl eindeutig.
Neuer Chip rein:
[Bild: https://forum.pflaugis-arcade.de/galerie...etris4.jpg]
Geht wieder.
Schrieb ich schon, dass sich Atari-Boards Kacke (ent)löten lassen?
Alle Pins von so ziemlich allen Chips sind nach außen gebogen.
Übrigens:
Im Gegensatz zu den älteren Atari-Boards (Centipede & Co.) läuft die Tetris nicht ohne Pokeys. Das Board watchdogt dann.
(Thread aus AZ nachdokumentiert)

Ein original Atari Tetris mit Grafikproblemen:
[Bild: https://forum.pflaugis-arcade.de/galerie...etris1.jpg]
Die Grafikprobleme verändern sich, je nachdem, wo man auf die Platine drückt. Und nein, es ist kein Kontaktproblem.
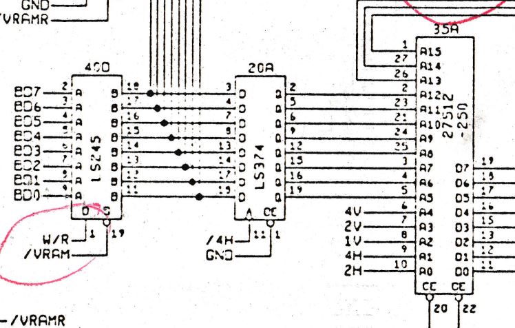
Nach einigem "Rumgefinger" konnte ich das Problem auf die Ecke mit den 5 74LS374 eingrenzen.
Pin 2 von IC 20A ist äußerst berührungsempfindlich. Da kommt auch nichts raus, es geht aber was auf Pin 3 rein.
[Bild: https://forum.pflaugis-arcade.de/galerie...etris2.jpg]
(Die roten Kringel sind im Schaltbild und haben mit dem Fehler nix zu tun.
)Verdächtig, verdächtig, Mr. Holmes.

Also Chip raus, und:
[Bild: https://forum.pflaugis-arcade.de/galerie...etris3.jpg]
Das ist dann wohl eindeutig.

Neuer Chip rein:
[Bild: https://forum.pflaugis-arcade.de/galerie...etris4.jpg]
Geht wieder.
Schrieb ich schon, dass sich Atari-Boards Kacke (ent)löten lassen?
Alle Pins von so ziemlich allen Chips sind nach außen gebogen.
Übrigens:
Im Gegensatz zu den älteren Atari-Boards (Centipede & Co.) läuft die Tetris nicht ohne Pokeys. Das Board watchdogt dann.

(Thread aus AZ nachdokumentiert)

